专业无刷直流变频水泵生产制造商
网站首页
产品中心
客户案例
走进中科
新闻中心
公司实景
联系我们
产品导航
Product navigation
无刷直流水泵
微型热水循环泵
三相无刷直流水泵
汽车电子水泵
冷暖床垫水泵
服务器液冷泵
激光冷水机水泵
电脑水冷泵
厨房卫浴家电水泵
医疗美容仪器水泵
热水器增压水泵
微型直流油泵
直流超静音水泵
耐酸碱水泵
微型直流调速水泵
泳池吸污循环泵
直流变频水族泵
直流变频造浪泵
蛋白质分离器
鱼缸配件
4
无刷直流水泵
您的位置:
首页
>>
产品中心
>>
无刷直流水泵
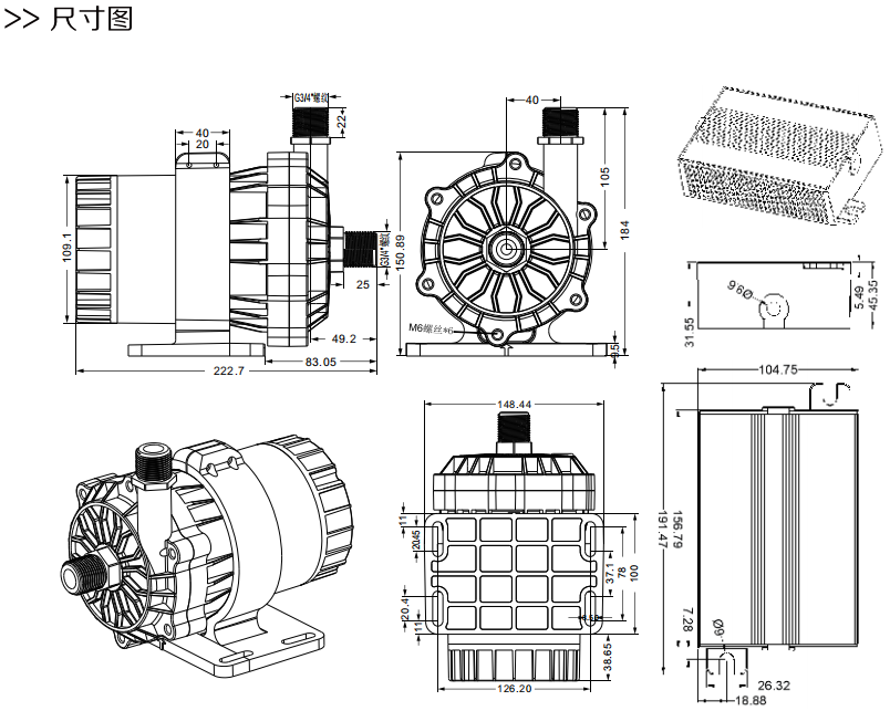
DC/AC95E
中科世纪,专业无刷直流磁力隔离泵生产厂家。成立于2009年,专业研发、设计、生产无刷直流水泵,电脑水冷泵,服务器水冷泵,GPU散热循环泵,AI芯片散热循环泵,汽车电子水泵,医疗水泵,特种工业散热循环水泵,磁力泵,三相直流水泵,太阳能水泵,无刷直流变频水泵的高科技股份制企业。公司具有完整的质量保证体系,已通过了ISO9000等国际质量体系认证,拥有多项专利技术.
最大流量:
最大扬程:
额定电压:
叶轮类型:
产品重量:
产品概述
产品指标
产品参数
联系我们
产品指标
敬请期待
产品参数
中科世纪
-相关产品推荐
直流超静音水泵,热水器增压水泵,微型直流油泵等定制生产
无刷直流水泵DC45K
无刷直流水泵DC40K
微型直流调速水泵DC60E
无刷直流水泵DC45I
无刷直流水泵DC35
无刷直流水泵DC65E
返回顶部
0755-27811557
微信公众号