专业无刷直流变频水泵生产制造商
网站首页
产品中心
客户案例
走进中科
新闻中心
公司实景
联系我们
产品导航
Product navigation
无刷直流水泵
微型热水循环泵
三相无刷直流水泵
汽车电子水泵
冷暖床垫水泵
服务器液冷泵
激光冷水机水泵
电脑水冷泵
厨房卫浴家电水泵
医疗美容仪器水泵
热水器增压水泵
微型直流油泵
直流超静音水泵
耐酸碱水泵
微型直流调速水泵
泳池吸污循环泵
直流变频水族泵
直流变频造浪泵
蛋白质分离器
鱼缸配件
4
无刷直流水泵
您的位置:
首页
>>
产品中心
>>
无刷直流水泵
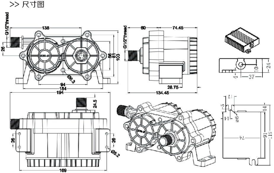
DC65JE
中科新款DC65JE
最大流量:
2500L/H
最大扬程:
46M
额定电压:
24V/36V
叶轮类型:
封闭式
产品重量:
产品概述
产品指标
产品参数
联系我们
产品指标
产品参数
中科世纪
-相关产品推荐
直流超静音水泵,热水器增压水泵,微型直流油泵等定制生产
DC65JE
无刷直流水泵DC45K
DC65JB
DC/AC95D
DC/AC95E
DC/AC95G
返回顶部
0755-27811557
微信公众号